钢网制作规范及常见问题解答
发布时间: 2026-03-30 11:57:08 查看数:为确保钢网加工准确、高效,提升客户体验,特制定以下钢网制作规范及注意事项。请下单前仔细阅读,并根据需要在下单页面备注栏清晰填写特殊要求。
以下情况默认不开孔,如需开孔,请务必备注:
1. 插件晶振(或晶振接地)
2. 正负极标识(如 B+ / B-、V+ / V-、P+ / P-、LED+ / LED- 等)
3. 大电流走线、大面积裸铜块
4. 测试点(TP/F/TEXT 等)
5. 短路点
6. 屏蔽罩(手机板除外)
7. 无丝印单点焊盘或独立丝印焊盘
8. 金手指、天线、绑定 IC 区域
9. 螺丝孔
10. 所有插件类元件
以下元件默认开孔,无需备注:
1. 所有有引脚的 USB 通孔定位脚、侧按键定位脚;
2. 常规贴片元件,如电阻、电容、电感、二极管、三极管、晶体管、电解电容、卡座、排插、开关等;
3. 以上贴片层(俗称 paste 层)缺失,将依据阻焊层或线路层开孔;
4. 灯板上的焊线点。
1、要求不防锡珠:电阻、电容、电感、二极管等类型按贴片层 1:1 开孔,保持标准内间距,IC/BGA/排插类开口,统一按我司标准制作。
2、要求防锡珠:电阻、电容、电感、二极管等类型按贴片层防锡珠规范处理(小型二极管可不用防锡珠),并保持标准内间距,IC/BGA/排插类开口,统一按我司标准制作。
默认安全间距为 ≥0.25mm,小元件可根据实际适当缩小至 0.2mm,具体视器件尺寸决定。
1、默认方式:非印刷面半刻
2、可选方式:印刷面标记、MARK通孔、非印刷面半刻、机械通孔(指板边或板内选用通孔刻穿定位),视客户设备决定。
3、胶水网MARK 点定位,按客户需求设为半刻或通孔(指板边或板内选用通孔刻穿定位)。
1. 网框 ≤ 42×52cm:常规排板,上下或左右摆放均可;
2. 网框 ≥ 45×55cm 且有工艺边:默认 PCB 长边对钢网长边,上下摆放,摆放不下时也可左右摆放;
3. 无工艺边时:默认 PCB 长边对钢网长边,上下摆放,摆放不下时也可左右摆放;
4. 两面拼板:默认拼版间距 15–25cm,板尺寸大时可缩至 1cm 或零拼。
除客户特别要求,默认选择如下通用厚度,特殊要求请务必备注

以下是CHIP元件公英制对照表:

以下是各元件开孔方式:

电感和大功率二极管采用防梯形防锡珠处理,如下图所示。

对于单个尺寸大于 4×3mm 的电感,在防锡珠的基础上加桥开孔以提升焊接可靠性,如下图所示。

对于 SOT252、SOT223 等大功率晶体管的中间焊盘,采用“十字”或“井字”架桥方式,或将焊盘划分为多个小块,桥宽可根据焊盘大小灵活调整,如下图所示。


PITCH(引脚间距) | W(开孔宽度) | L(开孔长度) | 特殊说明 |
0.3mm | 0.16mm | 外延0.1mm | 长度 < 0.8 mm 时,向外加延 0.15 mm, 倒圆角 |
0.35mm | 0.16mm | 外延0.1mm | 倒圆角 |
0.4mm | 0.18–0.185mm | 外延0.1mm | 倒圆角 |
0.5mm | 0.23–0.24mm | 外延0.1mm | 倒圆角 |
0.635–0.65mm | 0.3–0.34mm | 外延0.1mm | 倒圆角 |
0.8mm | 0.42–0.44mm | 外延0.15mm | / |
1.27mm | 0.65–0.75mm | 外延0.15mm | / |
备注:QFN、SOPIC 接地,按贴片层焊盘缩小40-50%,按实际焊盘均匀架十字或井字桥。
PITCH(引脚间距) | 开孔尺寸 | 导角 |
0.35mm | 0.20mm(方形) | 导角0.03mm |
0.4mm | 0.23–0.24mm(方形) | 导角0.05mm |
0.5mm | 0.29mm(方形) | 导角0.08mm |
0.6mm | 0.35mm | 无特别导角要求 |
0.8mm | 0.45mm | 无特别导角要求 |
1.0mm | 0.55mm | 无特别导角要求 |
1.27mm | 0.65–0.75mm | 无特别导角要求 |
1、带座螺柱
带固定座的双螺柱结构需避孔处理,防止误印锡膏,如下图。

2、座子中间插件孔
座子中间的两排插件孔需要开孔,但两侧较大的定位孔若无铜箔,则不需开孔。下方右图为钢网开口效果示意。

3、触摸屏接口区域
无论是否存在于贴片层,触摸屏区域均默认不开孔,避免误贴或干扰,如下图。

4、插件 USB 端口
如贴片层上有标注,需确认是否需要开孔;贴片层无标注则默认不开。挑点式插件 USB 默认不开孔,注意保持与其他焊盘的安全间距。

5、开关类元件(椭圆形插件脚)
若插件脚两端椭圆焊盘上有铜箔,则需开孔;不需避孔处理,但须保持足够安全间距,以确保焊接质量。

6、咪头(MIC 丝印标识)
带有“MIC”丝印的咪头类元件,默认开孔处理,无需特别备注。


1、常见类型
元件类型 | 宽度开孔(W) | 长度加长(L) | 特殊说明 |
0402 | 0.26 mm | +0.05 mm | — |
0603 | 0.30 mm | +0.10 mm | 若间隙 > 0.75 mm,宽开 0.32 mm |
0805 | 0.32–0.33 mm | +0.10 mm | 若间隙 > 0.95 mm,宽开 0.35 mm |
1206 | 0.50–0.60 mm 或焊盘间距 30–35% | +0.10 mm | — |
1206以上 | 焊盘间距 30–40% | +0.10 mm | — |
二极管 | 内距的 35–40% | +0.25 mm | — |
其他无法识别元件 | 内距的约 30% | 视情况调整 | — |
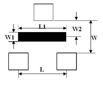
2、SOT23

L1=110%L;W2=W/2(居中开设);W1=0.3~0.5mm
3、SOT89

W=0.4mm;L1=L
4、排阻、排容

D=45%W;W1=W/2;L1=L;
当D≥3mm时,取3mm;
中间圆点的多少视IC的大小而定,最少2个,最多5个;
当开口宽度≤0.35mm时,请开成0.35mm的长方形。
5、IC、QFP

D=45%W;W1=W/2;L1=L;
当D≥3mm时,取3mm;
中间圆点的多少视IC的大小而定,最少2个,最多5个;

D=1.3-3.5mm;(具体视QFP的大小而定,如过小的话,中间开孔可不要)
圆孔位置:圆孔的外圈与QFP最外端的脚平齐
备注:以上可按内距35%-40%开方孔,若宽大于1.5mm,请按以上要求开成圆孔
关于特殊要求的标注:如涉及元件修改、拼板、钢网确认等,请务必在备注栏清晰说明,压缩包内有文件要求的,也请备注“见压缩包要求”。
钢网文件确认:如担心误操作,可备注“钢网文件需确认”,我司将回传确认。
售后说明:钢网产品如在3个月内出现脱胶问题,我司将免费补料一次。
如有疑问,欢迎联系捷配链客服,我们将竭诚为您服务。
相关问题